插拔式接线端子

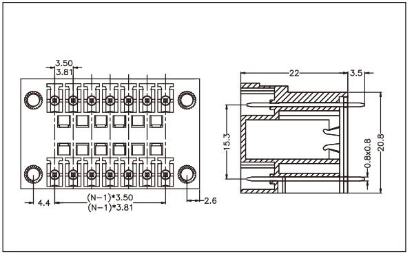
XL15EDGVHM-3.50/3.81

产品间距

3.50/3.81mm

连接截面0.08mm2至10mm2的所有导线,间距2.5mm至15.24mm可供选择;

可根据需要选择进线方向,连接方向;

产品设计符合IEC61984、UL1059等国际标准。

产品详情

XL15EDGVHM-3.50/3.81


材质&参数 MATERIAL

螺丝 Screw

触点 Contact 

      焊针 Pin header        

黄铜,镀锡 Brass, Tin plated

塑件 Plastic parts

PA66, UL94V-0

电气性能 ELECTRICAL

UL IEC

额定电压 Rated voltage

300V 250V

额定电流 Rated current

8A 7A

接触电阻 Contact resistance

20mΩ

绝缘电阻 Insulation resistance

500MΩ/DC500V

耐电压 Withstanding voltage

AC1500V/1min

使用线径 Wire range 

机械性能 MECHANICAL

温度范围 Temp. range

-40℃~+105℃

瞬时温度 Max. soldering

+250℃, 5sec

扭矩 Torque

剥线长度 Strip length


XL15EDGVHM-3.50/3.81

TOP