栅栏式接线端子

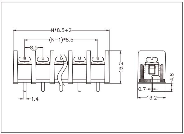
XL35C-8.50

产品间距

8.50mm

接线直观简明,分前后贯通和上下贯通接线方式;

连接截面0.5mm2至50mm2的所有类型的导线,间距6.35mm至27mm可供选择;

可提供有盖、无盖,有无固定孔等款式。

产品详情

XL35C-8.50


材质&参数 MATERIAL

螺丝 Screw

M3.0,钢,镀镍 Steel, Ni Plated

      端子 Terminal      

黄铜, 0.7t 镀锡 Brass, Tin Plated

塑件 Plastic parts

PA66, UL94V-0

电气性能 ELECTRICAL

UL IEC

额定电压 Rated voltage

300V 450V

额定电流 Rated current

20A 24A

绝缘电阻 Insulation resistance

500MΩ/DC500V

耐电压 Withstanding voltage

AC2000V/1min

试用线径 Wire range 

22-12AWG 2.5mm2

机械性能 MECHANICAL

温度范围 Temp. range

-40℃~+105℃

扭矩 Torque

0.5N.m 4.4Lb.in


XL35C-8.50

TOP